Werkstoff: Gehäuse aus Sinterstahl bzw. GG20. Hebelarm aus St52.

Diese Spannelemente entsprechen vom Aufbau der Standardausführung, sind jedoch galvanisch verzinkt und es sind mineralölbeständige, synthetische Federkörper gefügt. Diese Bauteile eignen sich für den Betrieb "im Freien", z. B. Baumaschinen oder im Ölbad in Getriebekästen. Gekennzeichnet sind die Spannelemente durch einen gelben Punkt auf dem Hebelarm.

Für beide Spannrichtungen geeignet.Temperaturbereich: -30º bis +90°C

Service:

Katalogseite

Zusätzliche Informationen

CAD Daten



Die angebotenen CAD-Daten, Abbildungen und technischen Zeichnungen werden mit größtmöglicher Sorgfalt erstellt.
Dennoch kann keine Gewährleistung für die Fehlerfreiheit und Genauigkeit dieser Daten übernommen werden.

Auf Lager: Ja

Artikelnr.: 14080003

Staffelpreis in EUR pro STK:

15102550100250
29,7227,0925,123,1121,1219,818,94

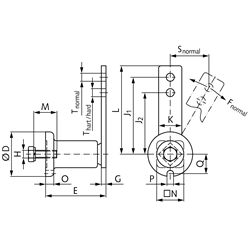
Größe0
Fmax. bei normal [N]96
F max. bei hart [N]128
smax. bei normal [mm]40
smax. bei hart [mm]30
D [mm]35
E [mm]51 +1,0 -0,5
G [mm]5
H [mm]M6
J1 [mm]80
J2 [mm]60
K [mm]20
L [mm]90
M [mm]20
N [mm]22
O [mm]6
P [mm]8
Q [mm]16,5
T [mm]8,5
MA [Nm]10
Gewicht [kg]0,2

Zurück zur Übersicht


Impressum AGB Hilfe Datenschutzerklärung Index


MÄDLER on Facebook Facebook MÄDLER on Youtube YouTube MÄDLER on Twitter Twitter MÄDLER on Instagram Instagram MÄDLER on Xingk Xing MÄDLER on Linkedin LinkedIn