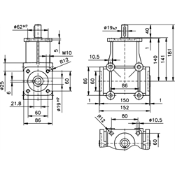
Allgemeines: Größe 3, hohe Bauform. Eingangswelle Ø 19mm. Ausgangswelle als Hohlwelle Ø 19mm. Übersetzungen wahlweise 1 : 1 oder 2 : 1 oder 3 : 1 (Hohlwelle langsamlaufend). Übersetzung ins Schnelle bis max. 750 min- 1 zulässig. Einbaulage beliebig. Gehäuse: Starkwandiger, ungeteilter Alu-Gusskörper, gegen Ölaustritt und Staubeinwirkung vollkommen gekapselt. Verzahnung: spiralverzahnt, gehärtet. Wellen/Lagerung: An- und Abtriebswellen sind geschliffen und wälzgelagert. Schmierung/Wartung: Lebensdauer-Ölfüllung, Viskosität ISO VG 150. Die Getriebe sind wartungsfrei. Winkelspiel: 15 bis 30 Winkelminuten. zul. Betriebstemperatur: -18 ° C bis +80 ° C. * zul. Maximalwerte bei einer Eingangsdrehzahl von 1400/min an der Vollwelle im Dauerbetrieb.

Service:

Katalogseite

Betriebs / Wartungsanleitung



Die angebotenen CAD-Daten, Abbildungen und technischen Zeichnungen werden mit größtmöglicher Sorgfalt erstellt.
Dennoch kann keine Gewährleistung für die Fehlerfreiheit und Genauigkeit dieser Daten übernommen werden.

( freibleibend aus Lagervorrat / kurzfristig lieferbar / Lieferzeit nach Vereinbarung. Bitte fragen Sie nach. )
Artikel Menge Übersetzung
[i]
Wellen- Ø
[mm]
Eingangsleistung*
[kW]
Abtriebsmoment*
[Nm]
Öl-Inhalt
[dm³]
Gewicht
[kg]
41013400
1 : 1195,57380,234,8
41013402
2 : 1191,83250,234,8
41013403
3 : 1190,88180,234,8


zur Gruppe


Impressum AGB Hilfe Datenschutzerklärung Index


MÄDLER on Facebook Facebook MÄDLER on Youtube YouTube MÄDLER on Twitter Twitter MÄDLER on Instagram Instagram MÄDLER on Xingk Xing MÄDLER on Linkedin LinkedIn