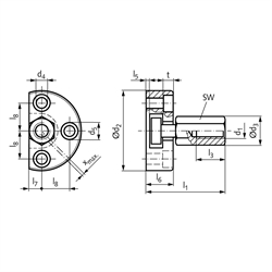
Werkstoff: Flansch- und Kupplungsteil: Vergütungsstahl, vergütet und phosphatiert. Kontermutter: Stahl, schwarz.
Mit Kupplungsmutter.
Die Schnellsteckkupplungen ermöglichen ein schnelles und unkompliziertes Verbinden und Trennen von Bauteilen. Zudem können sie betriebsbedingte Radialversätze effizient ausgleichen. Der Anschraubflansch sorgt für eine sichere Befestigung, zusätzliche Stabilität und eine höhere Betriebszuverlässigkeit. Sie sind vielseitig einsetzbar und finden beispielsweise in industriellen Förderanlagen oder Montagevor-richtungen Anwendung. Je nach Baugröße können die Kupplungen radiale Abweichungen von bis zu 1 mm zwischen den zu verbindenden Achsen ausgleichen.
Hinweis: Diese Kupplungen übertragen KEINE Drehmomente!
Service:
Katalogseite
Die angebotenen CAD-Daten, Abbildungen und technischen Zeichnungen werden mit größtmöglicher Sorgfalt erstellt.
Dennoch kann keine Gewährleistung für die Fehlerfreiheit und Genauigkeit dieser Daten übernommen werden.
Lieferzeit nach Vereinbarung. Bitte fragen Sie nach. )