Werkstoff: Stahl verzinkt.

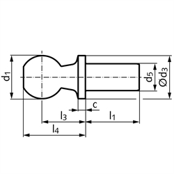
Form B: mit Nietzapfen.

Die Kugelzapfen ermöglichen Bewegungen in verschiedene Richtungen. Der Nietzapfen wird in ein Gegenstück eingesetzt und dort vernietet oder fixiert. Dadurch entsteht eine feste, spielfreie Verbindung, die sich nicht mehr ohne Weiteres lösen lässt.
Diese Nietzapfen können für Kugelpfannen DIN 71805 oder als Ersatzteil für Winkelgelenke DIN 71802 verwendet werden.


Service:

Katalogseite



Die angebotenen CAD-Daten, Abbildungen und technischen Zeichnungen werden mit größtmöglicher Sorgfalt erstellt.
Dennoch kann keine Gewährleistung für die Fehlerfreiheit und Genauigkeit dieser Daten übernommen werden.

( freibleibend aus Lagervorrat / kurzfristig lieferbar / Lieferzeit nach Vereinbarung. Bitte fragen Sie nach. )
Artikel Menge FormAusführungd1 h9
[mm]
d3 h14
[mm]
d5 h11
[mm]
C +0,4
[mm]
l1 ±0,2
[mm]
l3 ±0,3
[mm]
l4 ±0,3
[mm]
Gewicht
[kg/100 Stück]
63640531
Bkurz88524912,50,385
63640631
Bkurz101062,24,51115,50,71
63640831
Bkurz131382,451318,51,42
63641031
Bkurz1616102,7616232,35
63641431
Bkurz1919143122028,55,62
63640532
Blang88527,5912,50,435
63640632
Blang101062,281115,50,78
63640832
Blang131382,4101318,51,6
63641032
Blang1616102,71316232,96
63641432
Blang1919143182028,56,37


zur Gruppe


Impressum AGB Hilfe Datenschutzerklärung Index


MÄDLER on Facebook Facebook MÄDLER on Youtube YouTube MÄDLER on Twitter Twitter MÄDLER on Instagram Instagram MÄDLER on Xingk Xing MÄDLER on Linkedin LinkedIn