Werkstoff: Stahl C45, Zähne gefräst und induktiv gehärtet (ca. HRC 50).

Gehärtete Kettenräder für Taper-Spannbuchsen, zur schnellen und einfachen Montage.
Verwendbar mit und ohne Passfeder. Die Taper-Spannbuchse muss separat bestellt werden.
Diese Buchsen sind in verschiedenen
Außenmaßen mit einer Vielzahl unterschiedlicher Bohrungen erhältlich.

In diesem Youtube-Video zeigen wir Ihnen die Montage und Demontage von Taper-Spannbuchsen:

Film (3,5 Minuten)

Service:

Katalogseite

Katalogseite

Montageanleitung



Die angebotenen CAD-Daten, Abbildungen und technischen Zeichnungen werden mit größtmöglicher Sorgfalt erstellt.
Dennoch kann keine Gewährleistung für die Fehlerfreiheit und Genauigkeit dieser Daten übernommen werden.

( freibleibend aus Lagervorrat / kurzfristig lieferbar / Lieferzeit nach Vereinbarung. Bitte fragen Sie nach. )
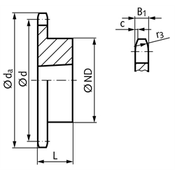
Artikel Menge Zähnezahlda
[mm]
d
[mm]
ND
[mm]
L
[mm]
Gewicht
[kg]
SpannbuchsentypBohrung min.
[mm]
Bohrung max.
[mm]
10978113
13147,8132,6590322,420121250
10978115
15167,9152,72108453,425171565
10978117
17187,9172,78108455,125171565
10978119
19208,1192,91108456,825171565
10978121
21228,2213,04108457,725171565
10978123
23248,3233,17108458,825171565
10978125
25268,5253,33108459,525171565
10978127
27288,6273,491505110,030202075
10978130
30318,9303,751505111,930202075


zur Gruppe


Impressum AGB Hilfe Datenschutzerklärung Index


MÄDLER on Facebook Facebook MÄDLER on Youtube YouTube MÄDLER on Twitter Twitter MÄDLER on Instagram Instagram MÄDLER on Xingk Xing MÄDLER on Linkedin LinkedIn