Werkstoff: GG25.

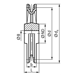
Nabe unbearbeitet und ungebohrt, z. T. mit Kernloch. Passend für Ketten nach DIN 766 A. Alle Maß- und Gewichtsangaben ca..

Service:

Katalogseite



Die angebotenen CAD-Daten, Abbildungen und technischen Zeichnungen werden mit größtmöglicher Sorgfalt erstellt.
Dennoch kann keine Gewährleistung für die Fehlerfreiheit und Genauigkeit dieser Daten übernommen werden.

( freibleibend aus Lagervorrat / kurzfristig lieferbar / Lieferzeit nach Vereinbarung. Bitte fragen Sie nach. )
Artikel Menge Zähnezahlda
[mm]
d
[mm]
b
[mm]
ND
[mm]
L
[mm]
B ca.
[mm]
Gewicht
[kg]
77110400
4564124403080,3
77110800
8968129503581,0
77111200
1214012225504081,5
77111500
1516515324504082,4
77111800
18200183265040102,6


zur Gruppe


Impressum AGB Hilfe Datenschutzerklärung Index


MÄDLER on Facebook Facebook MÄDLER on Youtube YouTube MÄDLER on Twitter Twitter MÄDLER on Instagram Instagram MÄDLER on Xingk Xing MÄDLER on Linkedin LinkedIn