Werkstoff: Gehäuse aus Stahl, schwarz, pulverbeschichtet.
Spannrolle aus ultrahochmolekularem Polyethylen auf Basis PE-UHMW, elektrostatisch ableitfähig.

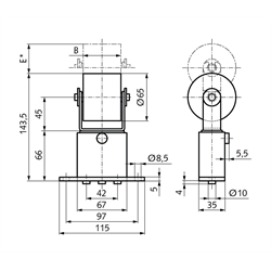
Diese einbaufertigen Riemenspanner ermöglichen einen leisen, verschleißarmen Lauf von Riemen.

• Mit drei Federn. Zwei Spannkraftversionen zur Auswahl. Bei jeder Version können drei Spannkräfte eingestellt werden.
• Mit farbiger Verschleißanzeige: Grün: o.k. Gelb: noch o.k. Rot: Federkraft unzureichend.
• Nutzbarer Spannweg bis zum Ende des gelben Bereichs ca. 32mm. Gesamtfederweg ca. 40mm.
• Max. zulässige Riemengeschwindigkeit 6m/s.

Temperaturbereich: -20°C bis +60°C.

* Spannweg. ** Max. empfohlene Riemenbreite.

Spannkräfte einstellbar:
Zur Auswahl stehen zwei Versionen, mit niedriger Spannkraft oder mit hoher Spannkraft. Alle Versionen haben jeweils drei Federn, die unabhängig voneinander aktiviert (gelöst) werden können, um drei unterschiedliche Spannkräfte zu erreichen.

Ausführung mit niedriger Spannkraft:
1 Feder gelöst: 58 - 32 N.
2 Federn gelöst: 116 - 64 N.
3 Federn gelöst: 174 - 96 N.

Ausführung mit hoher Spannkraft:
1 Feder gelöst: 132 - 60 N.
2 Federn gelöst: 264 - 120 N.
3 Federn gelöst: 396 - 180 N.

Service:

Katalogseite

Betriebs / Wartungsanleitung



Die angebotenen CAD-Daten, Abbildungen und technischen Zeichnungen werden mit größtmöglicher Sorgfalt erstellt.
Dennoch kann keine Gewährleistung für die Fehlerfreiheit und Genauigkeit dieser Daten übernommen werden.

( freibleibend aus Lagervorrat / kurzfristig lieferbar / Lieferzeit nach Vereinbarung. Bitte fragen Sie nach. )
Artikel Menge B
[mm]
E*
[mm]
b**
[mm]
F***
[N]
Gewicht
[kg]
14041304
53404532 - 1740,84
14041404
53404560 - 3960,84


zur Gruppe


Impressum AGB Hilfe Datenschutzerklärung Index


MÄDLER on Facebook Facebook MÄDLER on Youtube YouTube MÄDLER on Twitter Twitter MÄDLER on Instagram Instagram MÄDLER on Xingk Xing MÄDLER on Linkedin LinkedIn