Werkstoff: C45.

Verzahnungsqualität 8d25 DIN 3967.
Eingriffswinkel 20 °.

Service:

Katalogseite

Zusätzliche Informationen



Die angebotenen CAD-Daten, Abbildungen und technischen Zeichnungen werden mit größtmöglicher Sorgfalt erstellt.
Dennoch kann keine Gewährleistung für die Fehlerfreiheit und Genauigkeit dieser Daten übernommen werden.

( freibleibend aus Lagervorrat / kurzfristig lieferbar / Lieferzeit nach Vereinbarung. Bitte fragen Sie nach. )
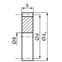
Artikel Menge ZähnezahlMaterialb
[mm]
da
[mm]
d
[mm]
BH7
[mm]
zul. MD
[Nm]
Gewicht
[g]
22401800
18C4510201860,5117
22402000
20C4510222060,6821
22402100
21C4510232160,7626
22402200
22C4510242260,8426
22402300
23C4510252360,9529
22402400
24C4510262461,0332
22402500
25C4510272561,1335
22402600
26C4510282661,2438
22402700
27C4510292761,3541
22402800
28C4510302861,4644
22403000
30C4510323081,7050
22403200
32C4510343281,9754
22403300
33C4510353382,1361
22403400
34C4510363482,2765
22403500
35C4510373582,4369
22403600
36C4510383682,5974
22403700
37C4510393782,7579
22403800
38C4510403882,9282
22403900
39C4510413983,0887
22404000
40C4510424083,2792
22404100
41C4510434183,4697
22404200
42C4510444283,65101
22404300
43C4510454383,86108
22404400
44C4510464484,05113
22404500
45C45104745104,27116
22404600
46C45104846104,48121
22404700
47C45104947104,70128
22404800
48C45105048104,94133
22404900
49C45105149105,18139
22405000
50C45105250105,40145
22405100
51C45105351105,62152
22405200
52C45105452105,91157
22405300
53C45105553106,16163
22405400
54C45105654106,43170
22405500
55C45105755106,72176
22405600
56C45105856106,99183
22405900
59C45106159107,88204
22406000
60C45106260108,18212
22406100
61C45106361108,51218
22406300
63C45106563109,15234
22406400
64C45106664109,48242
22406500
65C45106765109,83249
22406600
66C451068661010,2260
22406700
67C451069671010,4265
22406800
68C451070681010,9274
22406900
69C451071691011,3283
22407000
70C451072701011,6290
22407100
71C451073711012,0301
22407200
72C451074721012,4309
22407300
73C451075731012,8317
22407500
75C451077751013,6334
22407600
76C451078761013,8343
22407700
77C451079771013,9351
22407800
78C451080781014,0366
22407900
79C451081791014,3373
22408000
80C451082801014,5384
22408200
82C451084821015,0401
22408400
84C451086841015,6423
22408500
85C451087851215,9427
22409000
90C451092901217,5486
22409200
92C451094921218,1508
22409600
96C451098961219,4550
22410000
100C45101021001220,7601
22410500
105C45101071051225,5662
22411000
110C45101121101226,5728
22411400
114C45101161141227,3783
22412000
120C45101221201228,6870
22412400
124C45101261241229,1934


zur Gruppe


Impressum AGB Hilfe Datenschutzerklärung Index


MÄDLER on Facebook Facebook MÄDLER on Youtube YouTube MÄDLER on Twitter Twitter MÄDLER on Instagram Instagram MÄDLER on Xingk Xing MÄDLER on Linkedin LinkedIn