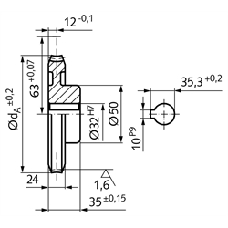
Werkstoff: Messing CuZn37Mn3Al2Si. Eingriffswinkel 15°. Bitte beachten: Diese Räder können nur mit Schnecken des gleichen Achsabstandes und mit dem gleichen Übersetzungsverhältnis zum Satz kombiniert werden. Für den Getriebebau ohne Nacharbeit zu verwenden. Das angegebene Abriebsmoment gilt für eine Eingangsdrehzahl (an der Schneckenwelle) von 2800/min. Die Werte für den Wirkungsgrad sind Richtwerte, da Lagerung, Schmierung, Drehzahl und Einbau den Wirkungsgrad zusätzlich zum Steigungswinkel beeinflussen.

Service:

Katalogseite

Betriebs / Wartungsanleitung

Zusätzliche Informationen



Die angebotenen CAD-Daten, Abbildungen und technischen Zeichnungen werden mit größtmöglicher Sorgfalt erstellt.
Dennoch kann keine Gewährleistung für die Fehlerfreiheit und Genauigkeit dieser Daten übernommen werden.

( freibleibend aus Lagervorrat / kurzfristig lieferbar / Lieferzeit nach Vereinbarung. Bitte fragen Sie nach. )
Artikel Menge Übersetzung
[i]
ModulZähnezahldA
[mm]
Schrägungswinkel
[°]
max. Drehmoment
[Nm]
Gewicht
[g]
33030600
6 : 13,52410425°51891200
33031200
12 : 12,53610413°521411100
33031900
19 : 12,53810410°081331200
33032600
26 : 13,5261046°171721065
33033400
34 : 12,75341045°091481200
33034800
48 : 12481043°511251200
33036300
63 : 11,5631012°471111200
33037000
70 : 11,2570971°59112980


zur Gruppe


Impressum AGB Hilfe Datenschutzerklärung Index


MÄDLER on Facebook Facebook MÄDLER on Youtube YouTube MÄDLER on Twitter Twitter MÄDLER on Instagram Instagram MÄDLER on Xingk Xing MÄDLER on Linkedin LinkedIn