Werkstoff: Stahl.

  • Zur Befestigung einer Nabe (z.B. Antriebsrad, Rotor oder ähnliches) auf einer Welle.
  • Für mittlere bis höhere Drehmomente.
  • Selbstzentrierend.
  • Selbstsichernd.
  • Axiale Verschiebung bei der Montage.




Passungen: Welle h8, Nabe H8.
Rautiefe Rz: max. 12,5 µm.
Diese Spannsätze sind in vielen weiteren Größen bis d=200mm für 69.000Nm lieferbar.
Preis und Lieferzeit auf Anfrage.

Service:

Katalogseite



Die angebotenen CAD-Daten, Abbildungen und technischen Zeichnungen werden mit größtmöglicher Sorgfalt erstellt.
Dennoch kann keine Gewährleistung für die Fehlerfreiheit und Genauigkeit dieser Daten übernommen werden.

( freibleibend aus Lagervorrat / kurzfristig lieferbar / Lieferzeit nach Vereinbarung. Bitte fragen Sie nach. )
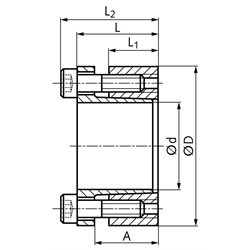
Artikel Menge d
[mm]
D
[mm]
L
[mm]
A
[mm]
L1
[mm]
L2
[mm]
T
[Nm]
Fax
[kN]
PW
[N/mm²]
PN
[N/mm²]
Schrauben 12.9
[Anz. x Größe]
TA
[Nm]
Gewicht
[kg]
61557318
184728221734310282781215 x M6140,29
61557319
194728221734331292611165 x M6140,29
61557320
204728221734370352941255 x M6140,29
61557322
224728221734370372471145 x M6140,29
61557324
245028221734470402551255 x M6140,30
61557325
255028221734600443081526 x M6140,29
61557328
285528221734600462431236 x M6140,35
61557330
305528221734610462171206 x M6140,35
61557332
326028221734940582861508 x M6140,40
61557335
3560282217341030582621508 x M6140,40
61557338
3865282217341140602481448 x M6140,40
61557340
4065282217341170602271418 x M6140,40
61557342
42753325204121501003151797 x M8350,70
61557345
45753325204122201002931727 x M8350,70
61557348
48803325204123401002841687 x M8350,75
61557350
50803325204124001002421497 x M8350,70
61557355
55853325204130801102701748 x M8350,77
61557360
60903325204134001202481668 x M8350,84
61557365
65953325204140501202531749 x M8350,88
61557370
701104030245063601802831828 x M10701,58
61557375
751154030245069001802681298 x M10701,60
61557380
801204030245074001902601308 x M10701,70
61557385
851254030245084001902731429 x M10702,0
61557390
901304030245090002002331219 x M10702,2
61557395
95135403024501100023027114010 x M10701,9
61557400
10014544322656131002602651868 x M121253,0


zur Gruppe


Impressum AGB Hilfe Datenschutzerklärung Index


MÄDLER on Facebook Facebook MÄDLER on Youtube YouTube MÄDLER on Twitter Twitter MÄDLER on Instagram Instagram MÄDLER on Xingk Xing MÄDLER on Linkedin LinkedIn