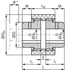
Werkstoff: Taschenteil Polyamid 6.6, Nabenteile Sintermetall, brüniert.

Fertigbohrungen H7 mit Passfedernuten DIN 6885/1 und Stellschrauben (2 Stück pro Nabe).
Lage der Stellschrauben: Bis Größe 24: 1x gegenüber der Nut, 1x 90° versetzt. Ab Größe 28: 1x auf der Nut, 1x 90° versetzt.
Temperaturbereich: -20ºC bis +80°C (kurzzeitig bis +120ºC).
Bitte beachten: Diese Kupplung besteht aus drei Einzelteilen.
Ein Taschenteil und zwei Nabenteile müssen einzeln bestellt werden.
Dadurch können innerhalb der Baugröße verschiedene Bohrungsgrößen kombiniert werden.
Weitere Größen und Bohrungen auf Anfrage.

Service:

Katalogseite

Betriebs / Wartungsanleitung

Zusätzliche Informationen

Auswahltool



Die angebotenen CAD-Daten, Abbildungen und technischen Zeichnungen werden mit größtmöglicher Sorgfalt erstellt.
Dennoch kann keine Gewährleistung für die Fehlerfreiheit und Genauigkeit dieser Daten übernommen werden.

( freibleibend aus Lagervorrat / kurzfristig lieferbar / Lieferzeit nach Vereinbarung. Bitte fragen Sie nach. )
Artikel Menge BaugrößeBauteilBohrung
[mm]
Passfedernut
[mm]
Drehmoment normal
[Nm]
Drehmoment Spitze
[Nm]
Drehzahl max.
[min -1]
D
[mm]
DH
[mm]
B*
[mm]
l1
[mm]
E
[mm]
L
[mm]
LH
[mm]
M
[mm]
Gewicht
[g]
60761400
14Taschenteil--122213000-4114-94937625
60761401
14NabenteilVorbohr. 5-12221300025-16,520----80
60761408
14Nabenteil8212221300025-1420949-680
60761410
14Nabenteil10312221300025-1420949-680
60761412
14Nabenteil12412221300025-1420949-680
60761414
14Nabenteil14512221300025-1420949-680
60761900
19Taschenteil--183011000-4814-95137735
60761901
19NabenteilVorbohr. 10-18301100032-16,521----100
60761910
19Nabenteil10318301100032-1421951-7100
60761912
19Nabenteil12418301100032-1421951-7100
60761914
19Nabenteil14518301100032-1421951-7100
60761915
19Nabenteil15518301100032-1421951-7100
60761916
19Nabenteil16518301100032-1421951-7100
60761919
19Nabenteil19618301100032-1421951-7100
60762400
24Taschenteil--243610000-5213,5-1355407,535
60762401
24NabenteilVorbohr. 10-24361000036-1821----150
60762412
24Nabenteil12424361000036-13,5211355-7,5150
60762414
24Nabenteil14524361000036-13,5211355-7,5150
60762415
24Nabenteil15524361000036-13,5211355-7,5150
60762416
24Nabenteil16524361000036-13,5211355-7,5150
60762419
24Nabenteil19624361000036-13,5211355-7,5150
60762420
24Nabenteil20624361000036-13,5211355-7,5150
60762424
24Nabenteil24824361000036-13,5211355-7,5150
60762800
28Taschenteil--48858000-6716,5-13834618,570
60762801
28NabenteilVorbohr. 6-4885800044-2135----380
60762814
28Nabenteil1454885800044-16,5351383-18,5380
60762815
28Nabenteil1554885800044-16,5351383-18,5380
60762816
28Nabenteil1654885800044-16,5351383-18,5380
60762818
28Nabenteil1864885800044-16,5351383-18,5380
60762819
28Nabenteil1964885800044-16,5351383-18,5380
60762820
28Nabenteil2064885800044-16,5351383-18,5380
60762822
28Nabenteil2264885800044-16,5351383-18,5380
60762824
28Nabenteil2484885800044-16,5351383-18,5380
60762825
28Nabenteil2584885800044-16,5351383-18,5380
60763200
32Taschenteil--651107300-7617-1383481890
60763201
32NabenteilVorbohr. 12-65110730050-2235----500
60763219
32Nabenteil19665110730050-17351383-18500
60763220
32Nabenteil20665110730050-17351383-18500
60763222
32Nabenteil22665110730050-17351383-18500
60763224
32Nabenteil24865110730050-17351383-18500
60763225
32Nabenteil25865110730050-17351383-18500
60763800
38Taschenteil--951706500-8417,5-13834817,5105
60763801
38NabenteilVorbohr. 12-95170650058-2235----650
60763819
38Nabenteil19695170650058-17,5351383-17,5650
60763820
38Nabenteil20695170650058-17,5351383-17,5650
60763822
38Nabenteil22695170650058-17,5351383-17,5650
60763825
38Nabenteil25895170650058-17,5351383-17,5650
60763830
38Nabenteil30895170650058-17,5351383-17,5650
60764200
42Taschenteil--1152206200-9317,5-14835020,5130
60764201
42NabenteilVorbohr. 12-115220620068-2338----930
60764225
42Nabenteil258115220620068-17,5381483-20,5930
60764230
42Nabenteil308115220620068-17,5381483-20,5930
60764235
42Nabenteil3510115220620068-17,5381483-20,5930
60764238
42Nabenteil3810115220620068-17,5381483-20,5930
60764800
48Taschenteil--1603005500-9819-111015026160
60764801
48NabenteilVorbohr. 12-160300550068-2345----1100
60764830
48Nabenteil308160300550068-194511101-261100
60764835
48Nabenteil3510160300550068-194511101-261100
60764838
48Nabenteil3810160300550068-194511101-261100
60764840
48Nabenteil4012160300550068-194511101-261100


zur Gruppe


Impressum AGB Hilfe Datenschutzerklärung Index


MÄDLER on Facebook Facebook MÄDLER on Youtube YouTube MÄDLER on Twitter Twitter MÄDLER on Instagram Instagram MÄDLER on Xingk Xing MÄDLER on Linkedin LinkedIn