Werkstoffe: Alu-Legierung 2011T3 und 2011T8 BS 4300/5 FC1, farblos anodisiert. Naben und Hülsen:

Übertragungslamellen: rostfreier Qualitätsfederstahl. Verschraubung: Schrauben, Vergütungsstahl,

schwarz brüniert. Buchsen: Stahl verzinkt und schwarz chromatiert. Befestigungsteile: Vergütungsstahl, schwarz brüniert. Temperaturbereich: -40 ° C bis +120 ° C. Drehzahl max. 5000/min. Drehsteife Konstruktion, keine bewegten Teile, Ganzmetallausführung, geringes Trägheitsmoment. Das Funktionsprinzip bietet höchste Betriebsbereitschaften, welche mit flexiblen Kupplungen erreichbar sind. Exzellente kinematische Eigenschaften und hohe Drehfedersteifigkeiten. Geeignet für Servoantriebe. Tolerantes Verlagerungssystem und eine dynamisch gewuchtete Konstruktion für hochdynamische Positionier- und Servosysteme. *Bohrungstiefe, restliche Länge freigedreht.

Service:

Katalogseite

Zusätzliche Informationen



Die angebotenen CAD-Daten, Abbildungen und technischen Zeichnungen werden mit größtmöglicher Sorgfalt erstellt.
Dennoch kann keine Gewährleistung für die Fehlerfreiheit und Genauigkeit dieser Daten übernommen werden.

( freibleibend aus Lagervorrat / kurzfristig lieferbar / Lieferzeit nach Vereinbarung. Bitte fragen Sie nach. )
Artikel Menge Drehmoment max.
[Nm]
Bohrung +0,03
[mm]
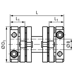
L
[mm]
L1*
[mm]
D1
[mm]
max. Verlagerung Winkel
[±Grad]
max. Verlagerung radial
[±mm]
max. Verlagerung axial
[±mm]
Verdrehsteifigkeit
[Nm/rad]
Gewicht
[g]
60170100
0,9434,59,219,240,40,214514
60170300
0,9634,59,219,240,40,214514
60170700
2,3536,11025,640,40,240025
60170800
2,3636,11025,640,40,240025
60170900
2,3836,11025,640,40,240025
60171300
5,6650,81433,530,40,298055
60171400
5,6850,81433,530,40,298055
60171500
5,61050,81433,530,40,298055
60171900
11,31260,11741,520,40,22020109
60172000
11,31460,11741,520,40,22020109
60172100
11,31660,11741,520,40,22020109
60172500
301678,122,95220,40,24800247
60172600
302078,122,95220,40,24800247
60172900
602090,7266620,40,212000444
60173000
602890,7266620,40,212000444


zur Gruppe


Impressum AGB Hilfe Datenschutzerklärung Index


MÄDLER on Facebook Facebook MÄDLER on Youtube YouTube MÄDLER on Twitter Twitter MÄDLER on Instagram Instagram MÄDLER on Xingk Xing MÄDLER on Linkedin LinkedIn