Werkstoff: Kupplungsnaben: Grauguss GG25 (GJL-250). Zahnkranz: Polyurethan, Shore-Härte 92ºA (gelb).

Ersatz-Zahnkranz wahlweise mit Shore-Härte 92ºA (gelb), 98ºA (rot) oder 64°D (grün).
Die Kupplungen werden mit Vorbohrung bevorratet. Fertigbohrungen und Passfedernuten gegen Mehrpreis. Temperaturbereich: -40ºC bis +90ºC.

Service:

Katalogseite

Betriebs / Wartungsanleitung

Zusätzliche Informationen



Die angebotenen CAD-Daten, Abbildungen und technischen Zeichnungen werden mit größtmöglicher Sorgfalt erstellt.
Dennoch kann keine Gewährleistung für die Fehlerfreiheit und Genauigkeit dieser Daten übernommen werden.

( freibleibend aus Lagervorrat / kurzfristig lieferbar / Lieferzeit nach Vereinbarung. Bitte fragen Sie nach. )
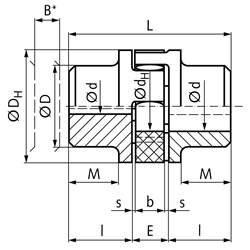
Artikel Menge BaugrößeNenn-Drehmoment
[Nm]
Drehmoment max.
[Nm]
d vorgebohrt
[mm]
d max.
[mm]
max. Drehz. bei 30 m/s
[min -1]
Verdrehwinkel bei max. Nm
[Grad]
B*
[mm]
l
[mm]
E
[mm]
s
[mm]
b
[mm]
L
[mm]
M
[mm]
DH
[mm]
D
[mm]
dH
[mm]
Gewicht
[g]
Ersatzteil Zahnkranz 92° Shore
[Art-Nr.]
Optionaler Zahnkranz 98° Shore
[Art-Nr.]
60530000
19102051914000 513251621266204032184106050921960509819
60530100
24357072410600 515301821478245540277306050922460509824
60530200
28 951909288500 51635202,515902865483012406050922860509828
60530300
3819038013387100 51945243181143780663821006050923860509838
60530400
4226553013426000 521502632012640 95754632006050924260509842
60530500
4831062016485600 52256283,52114045105855144006050924860509848
60530700
5541082016554750 523653042216052120986066006050925560509855
60530800
65625125018704250 52775354,5261856113511568101006050926560509865
60530900
751280256025803550 5328540 5302106916013580160006050927560509875
60531000
902400480029972800 536100455,53424581200160100275006050929060509890
60531100
10033006600291152500 5401105063827089225180113345006050929560509895


zur Gruppe


Impressum AGB Hilfe Datenschutzerklärung Index


MÄDLER on Facebook Facebook MÄDLER on Youtube YouTube MÄDLER on Twitter Twitter MÄDLER on Instagram Instagram MÄDLER on Xingk Xing MÄDLER on Linkedin LinkedIn