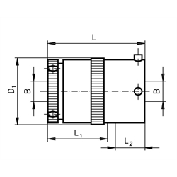
Werkstoff: Gehäuse aus Alu-Legierung mit Aluchrom-Oberflächenbehandlung. Innere Nabe aus Stahl. Verwendung: Zur Verbindung zweier Wellen. Die Konstruktion ist einfach und besteht im Wesentlichen aus 4 bzw. 6 Kupplungsscheiben, die mit dem inneren Nabenteil verbunden sind und vom Außenkörper gehalten werden. Max. Rutsch-Drehzahl 1000 min-1. Verdrehspiel der Kupplungen kleiner als 2°. Drehmomentbereich mit 2 Reiblamellen 2,4 Ncm bis 53,8 Ncm. Drehmomentbereich mit 6 Reiblamellen 7,8 Ncm bis 132,4 Ncm. Maximale zulässige Betriebstemperatur 80°C. Zur Einstellung des Drehmomentes dient ein mit dem Außenkörper verschraubter Einstellring. Als Lagerung Außenkörper zu Innenteil sind 2 Sinterlagerbuchsen eingesetzt. Ein O-Ring dichtet die Kupplung gegen Eindringen von Schmutz ab.

Service:

Katalogseite

Betriebs / Wartungsanleitung

Zusätzliche Informationen



Die angebotenen CAD-Daten, Abbildungen und technischen Zeichnungen werden mit größtmöglicher Sorgfalt erstellt.
Dennoch kann keine Gewährleistung für die Fehlerfreiheit und Genauigkeit dieser Daten übernommen werden.

( freibleibend aus Lagervorrat / kurzfristig lieferbar / Lieferzeit nach Vereinbarung. Bitte fragen Sie nach. )
Artikel Menge TypAnzahl Reiblamellen
[Stck.]
L
[mm]
L1
[mm]
L2
[mm]
D1
[mm]
D2
[mm]
Bohrung B +0,03/-0 Seite1
[mm]
Bohrung B +0,03/-0 Seite 2
[mm]
Stellschraubengröße und AnordnungStellschraubengröße Seite 2Gewicht
[g]
pass. Kreuzscheibe
61042300
B23625925,8-66M 3x3, 2x90ºM 4x4, 2x90°50-
61042400
B23625925,8-88M 3x3, 2x90ºM 4x4, 2x90°50-
61042800
B642,531925,8-66M 3x3, 2x90ºM 4x4, 2x90°61-
61042900
B642,531925,8-88M 3x3, 2x90ºM 4x4, 2x90°61-


zur Gruppe


Impressum AGB Hilfe Datenschutzerklärung Index


MÄDLER on Facebook Facebook MÄDLER on Youtube YouTube MÄDLER on Twitter Twitter MÄDLER on Instagram Instagram MÄDLER on Xingk Xing MÄDLER on Linkedin LinkedIn