Werkstoff: Metallteile: Stahl, verzinkt. Elastomer: Naturkautschuk, Härte ca. 55º Shore A.
Ausführung:
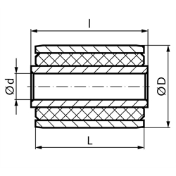
Gummi mit mittlerer Härte an Innenbuchse und Außenbuchse vulkanisiert. Gute Flexibilität.
Geeignet für mittlere Radialbelastung, hohe Axialbelastung und große Torsion.
Angaben zur Belastung mit einer Genauigkeit von +/-20%.
Aufnahmebohrung: Die Bohrung ist passend zum Abmaß bzw. Istmaß des Außendurchmessers zu wählen, je nach gewünschtem Sitz.
Temperaturbeständig bis 80ºC.

Service:

Katalogseite



Die angebotenen CAD-Daten, Abbildungen und technischen Zeichnungen werden mit größtmöglicher Sorgfalt erstellt.
Dennoch kann keine Gewährleistung für die Fehlerfreiheit und Genauigkeit dieser Daten übernommen werden.

( freibleibend aus Lagervorrat / kurzfristig lieferbar / Lieferzeit nach Vereinbarung. Bitte fragen Sie nach. )
Artikel Menge Innen-Ø d
[mm]
Außen-Ø D
[mm]
Länge der Innenbuchse l
[mm]
Länge der Außenbuchse L
[mm]
zul. stat. Radiallast Fr
[N]
radiale Federkonstante Cr
[N/mm]
zul. stat. Axiallast Fa
[N]
axiale Federkonstante Ca
[N/mm]
zul. stat. Verdrehwinkel φ
[Grad]
zul. stat. Drehmoment Md
[Nm]
Drehfederkonst. Cf
[Nm/Grad]
Gewicht
[g]
685081617V
8+0,1516+0,117+/-0,115+/-0,2300296060320153,750,2512
685082015V
8+0,1520+0,117+/-0,115+/-0,2300165060230153,000,2018
685082210V
8+0,1522+0,116+/-0,110+/-0,2100570140109131,560,1216
685101818V
10+0,1518+0,120+/-0,118+/-0,3300340080480156,150,4117
685102230V
10+0,1522+0,133+/-0,130+/-0,3280058904105401510,800,7248
685102414V
10+0,1524+0,117+/-0,114+/-0,22001400160200153,750,2526
685102520V
10+0,1525+0,124+/-0,120+/-0,340002060410220155,100,3436
685122435V
12+0,1524+0,138+/-0,135+/-0,33000610013305501010,601,0661
685122525V
12+0,1525+0,128+/-0,125+/-0,349004070500415107,900,7946
685122618V
12+0,1526+0,124+/-0,118+/-0,36902220680252136,630,5137
685122632V
12+0,1526+0,136+/-0,132+/-0,3137039608405151312,610,9761
685133040V
13+0,1530+0,140+/-0,140+/-0,31670362523104501514,850,9997
685143067V
14+0,1530+0,176+/-0,167+/-0,33900520023107801528,501,90154
685163216V
16+0,232+0,1517+/-0,116+/-0,31900158031025012,58,880,7139
685163225V
16+0,232+0,1528+/-0,125+/-0,3360045607703801516,501,1076
685163250V
16+0,232+0,1554+/-0,150+/-0,33900490012305907,513,881,85122
685164032V
16+0,240+0,1538+/-0,132+/-0,3160018003203501516,201,08117
685183432V
18+0,334+0,1536+/-0,132+/-0,3157041808305301423,521,6895
685204555V
20+0,345+0,1562,5+/-0,155+/-0,33430543518605851544,552,97253
685204559V
20+0,345+0,1562,5+/-0,159,5+/-0,3390048209105301537,952,53262
685244290V
24+0,342+0,1596+/-0,190+/-0,33900846050401744554,6510,93414
685255065V
25+0,350+0,1567,5+/-0,165,5+/-0,3638098007609751584,005,60390
685255589V
25+0,355+0,1593,5+/-0,189,5+/-0,3980010350165010151083,308,33697
685264040V
26+0,340+0,1545+/-0,140+/-0,3490078302550940738,225,46323
685305589V
30+0,455+0,1594+/-0,189,5+/-0,313700174602600149010131,313,13657
685325650V
32+0,456+0,1555+/-0,150+/-0,3150007660130090512,587,67,01323
685407557V
40+0,475+0,2070+/-0,157+/-0,359006910451088014210,015816
685507060V
50+0,470+0,1560+/-0,160+/-0,31170015970294020203150,951,30619
685508095V
50+0,480+0,20100+/-0,195+/-0,31470014960343017408150,418,801105


zur Gruppe


Impressum AGB Hilfe Datenschutzerklärung Index


MÄDLER on Facebook Facebook MÄDLER on Youtube YouTube MÄDLER on Twitter Twitter MÄDLER on Instagram Instagram MÄDLER on Xingk Xing MÄDLER on Linkedin LinkedIn