Werkstoff: 42CrMo4V, Nr. 1.7225, verzinkt und blau passiviert.

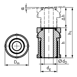
  • Für nicht parallele Flächen bis 4° Neigung.
  • Größere Bauhöhe mit großem Verstellweg.
  • Ohne Kontermutter.

*Die statische Zusatzbelastung Fzus steht nach Abzug der Vorspannkraft (bei Festigkeit Stahl-Schraube 8.8 oder Edelstahl-Schraube 6.8) von der Gesamtbelastung Fges zur Verfügung. Weiterere Abmessungen auf Anfrage lieferbar.

Service:

Katalogseite

Zusätzliche Informationen



Die angebotenen CAD-Daten, Abbildungen und technischen Zeichnungen werden mit größtmöglicher Sorgfalt erstellt.
Dennoch kann keine Gewährleistung für die Fehlerfreiheit und Genauigkeit dieser Daten übernommen werden.

( freibleibend aus Lagervorrat / kurzfristig lieferbar / Lieferzeit nach Vereinbarung. Bitte fragen Sie nach. )
Artikel Menge AusführungTyppassende Schraubeh
[mm]
h1
[mm]
Δh
[mm]
Dm
[mm]
dgdD
[mm]
α ca.Fges.*
[kN]
Fzus.*
[kN]
Gewicht
[g]
68680500
standardMN 686.8 15-6,6M635501525M15x1,06,64030,789
68681000
standardMN 686.8 20-6,6M643632032M20x1,06,66555,7197
68681500
standardMN 686.8 20-9,0M843632032M20x1,09,06548,0187
68682000
standardMN 686.8 20-11,0M1043632032M20x1,011,06537,9175
68682500
standardMN 686.8 30-11,0M1054792545M30x1,511,012092,9484
68683000
standardMN 686.8 30-13,5M1254792545M30x1,513,512080,4464
68683500
standardMN 686.8 30-17,5M1654792545M30x1,517,512045,5428
68684000
standardMN 686.8 40-17,5M16701023258M40x1,517,5210136,01037
68684500
standardMN 686.8 40-22,0M20701023258M40x1,522,021090,0959
68685000
standardMN 686.8 40-26,0M24701023258M40x1,526,021037,0878
68685500
standardMN 686.8 50-22,0M20831234070M50x1,522,0330210,01838
68686000
standardMN 686.8 50-26,0M24831234070M50x1,526,0330157,01742
68686500
standardMN 686.8 50-33,0M30831234070M50x1,533,033053,01528
68687000
standardMN 686.8 60-26,0M24941445080M60x2,026,0495322,02585
68687500
standardMN 686.8 60-33,0M30941445080M60x2,033,0495218,02351
68688000
standardMN 686.8 60-39,0M36941445080M60x2,039,0495101,02115


zur Gruppe


Impressum AGB Hilfe Datenschutzerklärung Index


MÄDLER on Facebook Facebook MÄDLER on Youtube YouTube MÄDLER on Twitter Twitter MÄDLER on Instagram Instagram MÄDLER on Xingk Xing MÄDLER on Linkedin LinkedIn