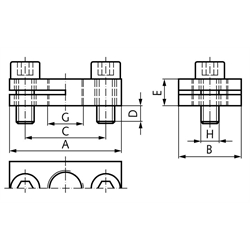
Werkstoff: Stahl brüniert. Der Rechteckflansch ermöglicht eine Frontmontage ohne zusätzliche Kontermutter. Durch die flache kompakte Bauweise kann platzsparend konstruiert werden. 2 Zylinderschrauben DIN 912 werden mit geliefert.

Service:

Katalogseite



Die angebotenen CAD-Daten, Abbildungen und technischen Zeichnungen werden mit größtmöglicher Sorgfalt erstellt.
Dennoch kann keine Gewährleistung für die Fehlerfreiheit und Genauigkeit dieser Daten übernommen werden.

( freibleibend aus Lagervorrat / kurzfristig lieferbar / Lieferzeit nach Vereinbarung. Bitte fragen Sie nach. )
Artikel Menge für Artikel-Nr. StoßdämpferA
[mm]
B
[mm]
C
[mm]
E
[mm]
G
[Gewinde]
H
[Gewinde]
Anzugsmoment
[Nm]
Gewicht
[g]
69003003
690 030 002514186M8x1M4x10415
69005003
690 050 002814206M10x1M4x10415
69003503
690 035 003220246M12x1M5x12625
69015003
690 150 003420266M14x1,5M5x12625
69022503
690 225 004632368M20x1,5M6x141189
69060003
690 600 00/690 900 005232428M25x1,5M6x1411185


zur Gruppe


Impressum AGB Hilfe Datenschutzerklärung Index


MÄDLER on Facebook Facebook MÄDLER on Youtube YouTube MÄDLER on Twitter Twitter MÄDLER on Instagram Instagram MÄDLER on Xingk Xing MÄDLER on Linkedin LinkedIn