Werkstoff: Aluminium-Kokillenguss.

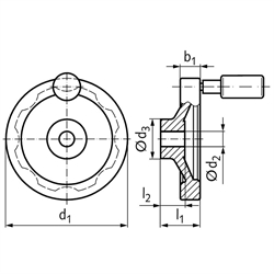
Mit drehbarem Zylindergriff aus Kunststoff mit Stahlgewindezapfen und Innensechskant. Nabe bearbeitet, Radkranz allseitig gedreht und poliert.

Nabenlängen und Bohrungsdurchmesser nach DIN 950.

Ausführung B/G: Ohne Passfedernut, mit Griff.

Ausführung N/G: Mit Passfedernut DIN 6885-1, mit Griff.

Service:

Katalogseite



Die angebotenen CAD-Daten, Abbildungen und technischen Zeichnungen werden mit größtmöglicher Sorgfalt erstellt.
Dennoch kann keine Gewährleistung für die Fehlerfreiheit und Genauigkeit dieser Daten übernommen werden.

( freibleibend aus Lagervorrat / kurzfristig lieferbar / Lieferzeit nach Vereinbarung. Bitte fragen Sie nach. )
Artikel Menge Ausführungd1
[mm]
d2 H7[mm]d3
[mm]
b1
[mm]
l1
[mm]
l2
[mm]
Zyl.-Griff Ø
[mm]
Grifflänge
[mm]
Gewicht
[g]
67081000
B/G10010311430171858,5255
67081200
B/G12512311533182261,5394
67081400
B/G140143416,536192476,5507
67081600
B/G16014361839202476,5675
67082000
B/G200184220,545242586,5990
67082500
B/G25022482351282586,51626
67081001
N/G10010311430171858,5255
67081201
N/G12512311533182261,5394
67081401
N/G140143416,536192476,5507
67081601
N/G16014361839202476,5675
67082001
N/G200184220,545242586,5990
67082501
N/G25022482351282586,51626


zur Gruppe


Impressum AGB Hilfe Datenschutzerklärung Index


MÄDLER on Facebook Facebook MÄDLER on Youtube YouTube MÄDLER on Twitter Twitter MÄDLER on Instagram Instagram MÄDLER on Xingk Xing MÄDLER on Linkedin LinkedIn