Werkstoff: Aluminium-Kokillenguss.

Mit drehbarem Zylindergriff aus Kunststoff mit Stahlgewindezapfen und Innensechskant. Nabe bearbeitet, Radkranz allseitig gedreht und poliert.

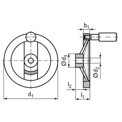
Nabenlängen und Bohrungsdurchmesser nach DIN 950.

Ausführung B/G: Ohne Passfedernut, mit Griff.

Ausführung N/G: Mit Passfedernut DIN 6885-1, mit Griff.

Service:

Katalogseite



Die angebotenen CAD-Daten, Abbildungen und technischen Zeichnungen werden mit größtmöglicher Sorgfalt erstellt.
Dennoch kann keine Gewährleistung für die Fehlerfreiheit und Genauigkeit dieser Daten übernommen werden.

( freibleibend aus Lagervorrat / kurzfristig lieferbar / Lieferzeit nach Vereinbarung. Bitte fragen Sie nach. )
Artikel Menge Ausführungd1
[mm]
d2 H7[mm]d3
[mm]
b1
[mm]
l1
[mm]
l2
[mm]
Zyl.-Griff Ø
[mm]
Grifflänge
[mm]
Gewicht
[g]
67071200
B/G12512311533182261,5383
67071400
B/G140143416,536192476,5486
67071600
B/G16014361839202476,5643
67072000
B/G200184220,545242586,5996
67072500
B/G25022482351282586,51598
67071201
N/G12512311533182261,5383
67071401
N/G140143416,536192476,5486
67071601
N/G16014361839202476,5643
67072001
N/G200184220,545242586,5996
67072501
N/G25022482351282586,51598


zur Gruppe


Impressum AGB Hilfe Datenschutzerklärung Index


MÄDLER on Facebook Facebook MÄDLER on Youtube YouTube MÄDLER on Twitter Twitter MÄDLER on Instagram Instagram MÄDLER on Xingk Xing MÄDLER on Linkedin LinkedIn