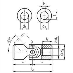
Werkstoff: Stahl. Max. Ablenkungswinkel 45 °. Diese niedrigpreisigen Einfach-Wellengelenke sind besonders für Handbetrieb bei geringen Drehmomenten geeignet. Da die Kontaktflächen nicht gehärtet/geschliffen sind, ist ein Einsatz bei höheren Drehzahlen nur kurzzeitig möglich. Bei Dauerbetrieb ist für eine ausreichende Schmierung der Kreuzgelenke zu sorgen.

Wahlweise beidseitig ohne Nut oder beidseitig mit Passfedernut nach DIN 6885-1.

Service:

Katalogseite

Zusätzliche Informationen



Die angebotenen CAD-Daten, Abbildungen und technischen Zeichnungen werden mit größtmöglicher Sorgfalt erstellt.
Dennoch kann keine Gewährleistung für die Fehlerfreiheit und Genauigkeit dieser Daten übernommen werden.

( freibleibend aus Lagervorrat / kurzfristig lieferbar / Lieferzeit nach Vereinbarung. Bitte fragen Sie nach. )
Artikel Menge d1H7
[mm]
d2
[mm]
l1
[mm]
l2
[mm]
bJS9
[mm]
t
[mm]
zul. Drehmomente* bei 100 min­¹
[Nm]
200 min­¹300 min­¹400 min­¹500 min­¹700 min­¹800 min­¹Gewicht
[kg]
63061300
6131340--8,58,56,86,25,7--0,03
63061600
8161040--16,911,710,49,17,86,76,10,04
63061600N
81610402916,911,710,49,17,86,76,10,04
63062000
10201045--32,522,119,515,614,3139,10,08
63062000N
10201045311,432,522,119,515,614,3139,10,08
63062500
12251150--58,532,527,320,818,214,311,70,14
63062500N
12251150413,858,532,527,320,818,214,311,70,14
63062900
14291356--9158,55242,93933,828,60,20
63062900N
14291356516,39158,55242,93933,828,60,20
63063200
16321565--114,4110,593,671,56555,944,20,29
63063200N
16321565518,3114,4110,593,671,56555,944,20,29
63063700
18371772--20815613088,475,470,2-0,44
63063700N
18371772620,820815613088,475,470,2-0,44
63064000
20401982--31222115611710493,6-0,57
63064000N
20401982622,831222115611710493,6-0,57
63064700
22472295--390260195143120,9--0,93
63064700N
22472295624,8390260195143120,9--0,93
63065000
255027108--507325234182149,5--1,19
63065000N
255027108828,3507325234182149,5--1,19
63065800
305830122--559429260195166,4--1,72
63065800N
305830122833,3559429260195166,4--1,72


zur Gruppe


Impressum AGB Hilfe Datenschutzerklärung Index


MÄDLER on Facebook Facebook MÄDLER on Youtube YouTube MÄDLER on Twitter Twitter MÄDLER on Instagram Instagram MÄDLER on Xingk Xing MÄDLER on Linkedin LinkedIn