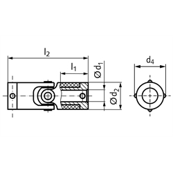
Werkstoff: Kunststoff Azetalhomopolymer mit an den Enden eingearbeiteten Metallkappen. Metallkappen und Kreuzstück aus Messing. Max. Ablenkungswinkel 45 °. Diese Kreuzgelenke haben zur Befestigung auf den Wellen Innensechskantschrauben.

Service:

Katalogseite

Zusätzliche Informationen



Die angebotenen CAD-Daten, Abbildungen und technischen Zeichnungen werden mit größtmöglicher Sorgfalt erstellt.
Dennoch kann keine Gewährleistung für die Fehlerfreiheit und Genauigkeit dieser Daten übernommen werden.

( freibleibend aus Lagervorrat / kurzfristig lieferbar / Lieferzeit nach Vereinbarung. Bitte fragen Sie nach. )
Artikel Menge d1+0,03
[mm]
d2
[mm]
d4
[mm]
l1
[mm]
l2
[mm]
Drehmoment max.
[Nm]
Gewicht
[g]
63023000
26,357,19,327,20,113,0
63023100
36,357,19,327,20,113,0
63023400
39,511,113,137,60,368,5
63023500
49,511,113,137,60,368,5
63023900
412,714,315,746,20,8517,0
63024000
612,714,315,746,20,8517,0
63024300
615,817,522,367,61,6034,0
63024400
815,817,522,367,61,6034,0
63024500
1015,817,522,367,61,6034,0


zur Gruppe


Impressum AGB Hilfe Datenschutzerklärung Index


MÄDLER on Facebook Facebook MÄDLER on Youtube YouTube MÄDLER on Twitter Twitter MÄDLER on Instagram Instagram MÄDLER on Xingk Xing MÄDLER on Linkedin LinkedIn