Werkstoff: Grauguss GG25. Buchse aus Rotguss RG7 (CuSn7Zn4Pb7-C).

Bohrungstoleranz: ISO D10.

Service:

Katalogseite



Die angebotenen CAD-Daten, Abbildungen und technischen Zeichnungen werden mit größtmöglicher Sorgfalt erstellt.
Dennoch kann keine Gewährleistung für die Fehlerfreiheit und Genauigkeit dieser Daten übernommen werden.

( freibleibend aus Lagervorrat / kurzfristig lieferbar / Lieferzeit nach Vereinbarung. Bitte fragen Sie nach. )
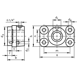
Artikel Menge d1
[mm]
Bohrungstoleranz
[mm]
a
[mm]
b
[mm]
c
[mm]
d3 h9
[mm]
d6
[mm]
d7
[mm]
f
[mm]
h
[mm]
m
[mm]
n
[mm]
Gewicht
[kg]
62124000
40+0,18/+0,0814570208014M 122085110503,1
62125000
50+0,18/+0,08175802510018M 1620105130605,5
62126000
60+0,22/+0,10195902512018M 1625125150808,1
62127000
70+0,22/+0,102201003014022M 202515017010012,2
62128000
80+0,22/+0,102401003016022M 203017019012014,9


zur Gruppe


Impressum AGB Hilfe Datenschutzerklärung Index


MÄDLER on Facebook Facebook MÄDLER on Youtube YouTube MÄDLER on Twitter Twitter MÄDLER on Instagram Instagram MÄDLER on Xingk Xing MÄDLER on Linkedin LinkedIn