Werkstoff: Gehäuse aus Stahlblech, 2-teilig, verzinkt.

Lagereinsatz aus Wälzlagerstahl.2-Loch-Ausführung.Der Lagereinsatz kann im Gehäuse geschwenkt werden, um Fluchtungsfehler bei der Montage auszugleichen. Die Welle wird mit 2 Stellschrauben befestigt. Das Lager ist für normale Betriebsverhältnisselebensdauergeschmiert. Eine Nachschmiermöglichkeit ist nicht vorhanden.

Service:

Katalogseite

Zusätzliche Informationen



Die angebotenen CAD-Daten, Abbildungen und technischen Zeichnungen werden mit größtmöglicher Sorgfalt erstellt.
Dennoch kann keine Gewährleistung für die Fehlerfreiheit und Genauigkeit dieser Daten übernommen werden.

( freibleibend aus Lagervorrat / kurzfristig lieferbar / Lieferzeit nach Vereinbarung. Bitte fragen Sie nach. )
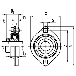
Artikel Menge TypBohrung
[mm]
a
[mm]
e
[mm]
t
[mm]
b
[mm]
c
[mm]
s
[mm]
Bi
[mm]
n
[mm]
zul. Gehäusebelastung
[kN]
Lager-Tragzahl dyn. C
[kN]
Lager-Tragzahl stat. C0
[kN]
Gewicht
[kg]
62651200
BPFL 201128163,52,014597,1226,02,657,44,50,19
62651500
BPFL 202158163,52,014597,1226,02,657,44,50,19
62651700
BPFL 203178163,52,014597,1226,02,657,44,50,19
62652000
BPFL 204209071,52,016679,0257,03,099,96,20,24
62652500
BPFL 205259576,02,018719,0277,53,5310,87,00,28
62653000
BPFL 2063011390,52,5198411,0308,04,9015,110,00,38
62653500
BPFL 20735122100,02,5229411,0328,56,2319,913,70,58


zur Gruppe


Impressum AGB Hilfe Datenschutzerklärung Index


MÄDLER on Facebook Facebook MÄDLER on Youtube YouTube MÄDLER on Twitter Twitter MÄDLER on Instagram Instagram MÄDLER on Xingk Xing MÄDLER on Linkedin LinkedIn