Werkstoff: Thermoplast Polyphenylensulfid, verstärkt, mit Gleitzusätzen (PPS + PTFE + Aramid), braun.
Gleitlager-Bundbuchse aus technisch hochwertigem Kunststoff.
Sehr geringe Reibung. Besonders geeignet auch für Trockenlauf, für Einsatz unter Wasser und bei hohen Temperaturen.
  • Gute Chemikalien- und Hydrolyse-Beständigkeit.
  • Sehr geringe Reibung, für Trockenlauf optimiert.
  • Hohe Maßgenauigkeit und Dimensionsstabilität.
  • Temperaturbereich -40ºC bis + 240ºC.

Betriebsbedingungen:
Trockenlauf: Sehr gut.
Öl-, Fettgeschmiert: Gut.
Wassergeschmiert: Sehr gut.
Einsatzgebiete:
z.B. Haushaltsgeräte, Fördertechnik, Apparatebau, Spielautomaten, Geldkassetten und vieles mehr.

Service:

Katalogseite



Die angebotenen CAD-Daten, Abbildungen und technischen Zeichnungen werden mit größtmöglicher Sorgfalt erstellt.
Dennoch kann keine Gewährleistung für die Fehlerfreiheit und Genauigkeit dieser Daten übernommen werden.

( freibleibend aus Lagervorrat / kurzfristig lieferbar / Lieferzeit nach Vereinbarung. Bitte fragen Sie nach. )
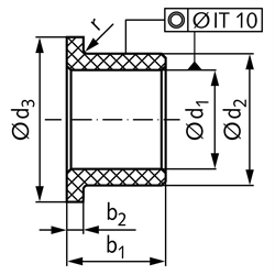
Artikel Menge d1
[mm]
d2
[mm]
d3
[mm]
b1
[mm]
b2
[mm]
r
[mm]
unteres Abmaß d1
[mm]
oberes Abmaß d1
[mm]
Gewicht
[g]
62710805
810155,51,00,3+0,013+0,0710,4
62710807
810157,51,00,3+0,013+0,0710,5
62710810
81015101,00,3+0,013+0,0710,5
62711007
10121871,00,3+0,013+0,0710,6
62711009
10121891,00,3+0,013+0,0710,7
62711012
101218121,00,3+0,013+0,0710,8
62711015
101218151,00,3+0,013+0,0711,0
62711017
101218171,00,3+0,013+0,0711,1
62711207
12142071,00,3+0,016+0,0860,6
62711209
12142091,00,3+0,016+0,0860,8
62711212
121420121,00,3+0,016+0,0861,2
62711215
121420151,00,3+0,016+0,0861,3
62711217
121420171,00,3+0,016+0,0861,4
62711220
121420201,00,3+0,016+0,0861,5
62711412
141622121,00,3+0,016+0,0860,9
62711417
141622171,00,3+0,016+0,0861,5
62711509
15172391,00,3+0,016+0,0861,0
62711512
151723121,00,3+0,016+0,0861,2
62711517
151723171,00,3+0,016+0,0861,5
62711520
151723201,00,3+0,016+0,0861,8
62711617
161824171,00,3+0,016+0,0861,7
62712011
20233011,51,50,5+0,020+0,1042,4
62712016
20233016,51,50,5+0,020+0,1043,2
62712021
20233021,51,50,5+0,020+0,1043,9
62712511
25283511,51,50,5+0,020+0,1042,9
62712516
25283516,51,50,5+0,020+0,1043,9
62712521
25283521,51,50,5+0,020+0,1044,9


zur Gruppe


Impressum AGB Hilfe Datenschutzerklärung Index


MÄDLER on Facebook Facebook MÄDLER on Youtube YouTube MÄDLER on Twitter Twitter MÄDLER on Instagram Instagram MÄDLER on Xingk Xing MÄDLER on Linkedin LinkedIn