Werkstoff: Edelstahl 1.4305 (A2V). Verzahnungsqualität 8d25 DIN 3967. Eingriffswinkel 20 °. Mit einseitiger Nabe.

Service:

Katalogseite

Zusätzliche Informationen



Die angebotenen CAD-Daten, Abbildungen und technischen Zeichnungen werden mit größtmöglicher Sorgfalt erstellt.
Dennoch kann keine Gewährleistung für die Fehlerfreiheit und Genauigkeit dieser Daten übernommen werden.

( freibleibend aus Lagervorrat / kurzfristig lieferbar / Lieferzeit nach Vereinbarung. Bitte fragen Sie nach. )
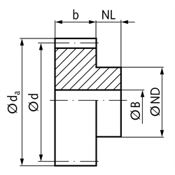
Artikel Menge Zähnezahl b
[mm]
da
[mm]
d
[mm]
NL
[mm]
ND
[mm]
B H7
[mm]
zul. MD
[Nm]
Gewicht
[g]
21499210
1015121010840,1510
21499212
1215141210960,2113
21499213
13151513101060,2516
21499214
14151614101160,2720
21499215
15151715101260,2924
21499216
16151816101360,3128
21499217
17151917101460,3233
21499218
18152018101580,3633
21499219
19152119101580,4237
21499220
20152220101680,4642
21499224
241526241020100,7161
21499225
251527251020100,7866
21499226
261528261020100,8570
21499228
281530281020101,0180
21499230
301532301020101,1890
21499235
351537351025101,67135
21499236
361538361025101,78140
21499240
401542401025102,27170
21499245
451547451030102,95225
21499248
481550481030103,42250
21499250
501552501030123,75260
21499260
601562601040125,67400
21499265
651567651050126,80515
21499270
701572701050128,06575
21499272
721574721050128,60605
21499275
751577751050129,44650
21499280
8015828010501210,9720
21499290
9015929010551213,2905
21499300
1001510210010601218,31120
21499310
1101511211010601223,51310
21499320
1201512212010601230,11530


zur Gruppe


Impressum AGB Hilfe Datenschutzerklärung Index


MÄDLER on Facebook Facebook MÄDLER on Youtube YouTube MÄDLER on Twitter Twitter MÄDLER on Instagram Instagram MÄDLER on Xingk Xing MÄDLER on Linkedin LinkedIn