Werkstoff: Polyacetal (POM), schwarz RAL 9005 seidenmatt. Stift Polycarbonat (PC). Stellschraube und Mutter: Edelstahl 1.4305.

Bei diesen nicht aushängbaren Scharnieren kann über eine Stellschraube das Reibmoment eingestellt werden. Dauertests haben ergeben, dass sich das Reibmoment auch nach 60.000 Öffnungs- / Schließzyklen kaum verändert hat (bei 0,8 Nm Auszugsmoment der Stellschraube). Temperaturbeständig bis +65°C. Brennbarkeitsklasse UL 94-HB.

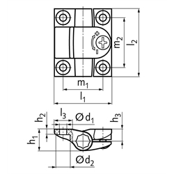
1) Anzugsdrehmoment für passende Schraube in d1.

2) Max. Axialkraft.

3) Max. Radialkraft bei Öffnungswinkel 90°.

Das sind unverbindliche Richtwerte unter Ausschluss jeglicher Haftung.

Service:

Katalogseite

Zusätzliche Informationen



Die angebotenen CAD-Daten, Abbildungen und technischen Zeichnungen werden mit größtmöglicher Sorgfalt erstellt.
Dennoch kann keine Gewährleistung für die Fehlerfreiheit und Genauigkeit dieser Daten übernommen werden.

( freibleibend aus Lagervorrat / kurzfristig lieferbar / Lieferzeit nach Vereinbarung. Bitte fragen Sie nach. )
Artikel Menge l1
[mm]
l2
[mm]
d1
[mm]
MA1)
[Nm]
d2
[mm]
h1
[mm]
h2
[mm]
h3
[mm]
l3
[mm]
m1
[mm]
m2
[mm]
Reibmoment
[Nm]
FA2)
[N]
FR3)
[N]
Gewicht
[g]
67700281
37434,519143,57,511,525,531,71,470050015
67700282
57646,5312,5216,511,517,53847,541500150049


zur Gruppe


Impressum AGB Hilfe Datenschutzerklärung Index


MÄDLER on Facebook Facebook MÄDLER on Youtube YouTube MÄDLER on Twitter Twitter MÄDLER on Instagram Instagram MÄDLER on Xingk Xing MÄDLER on Linkedin LinkedIn