Werkstoff: Edelstahl 1.4401 (V4A).

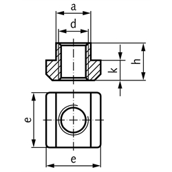
T-Nuten-Muttern nach zurückgezogener Norm DIN 508. Passend in T-Nuten DIN 650 / ISO 299.

Service:

Katalogseite



Die angebotenen CAD-Daten, Abbildungen und technischen Zeichnungen werden mit größtmöglicher Sorgfalt erstellt.
Dennoch kann keine Gewährleistung für die Fehlerfreiheit und Genauigkeit dieser Daten übernommen werden.

( freibleibend aus Lagervorrat / kurzfristig lieferbar / Lieferzeit nach Vereinbarung. Bitte fragen Sie nach. )
Artikel Menge d
[mm]
für T-Nuten DIN 650
[mm]
a
[mm]
e
[mm]
h
[mm]
k
[mm]
Gewicht
[g]
65510506A4
M565,610843
65510608A4
M687,6131068
65510810A4
M8109,61512614
65511012A4
M101211,61814722
65511214A4
M121413,62216834
65511618A4
M161817,628201068


zur Gruppe


Impressum AGB Hilfe Datenschutzerklärung Index


MÄDLER on Facebook Facebook MÄDLER on Youtube YouTube MÄDLER on Twitter Twitter MÄDLER on Instagram Instagram MÄDLER on Xingk Xing MÄDLER on Linkedin LinkedIn