Werkstoff: Außenteil: Stahl verzinkt. Bis Bohrung 10mm Automatenstahl gefräst/gedreht. Ab Bohrung 12mm Stahl C45 geschmiedet. Innenring: Wälzlagerstahl 100Cr6 gehärtet HRC 62+/-1, geschliffen und poliert. Laufschale: Automatenstahl mit PTFE-Gewebe. Schmale Form nach DIN ISO 12240-4 (DIN 648) Reihe E. Wahlweise mit Rechts- oder Linksgewinde.

  • Gelenkkopf für hohe, einseitig wirkende Belastung bei geringer Einbaubreite.
  • Stahl auf PTFE-Gewebe.
  • Wartungsfrei.
  • Nicht für höhere Gleitgeschwindigkeiten geeignet.
Hinweis: Die spezifischen Einsatzbedingungen und die Einbausituation von Gelenkköpfen und Gelenklagern variieren in der Praxis sehr stark und lassen sich daher durch einen Hersteller in einem Katalog nicht verallgemeinern. In allen Fällen muss der Anwender die bei der Auswahl zu Grunde gelegten theoretischen Parameter mit den tatsächlich in der Praxis vorliegenden Einsatzbedingungen abgleichen und die Eignung des Gelenkkopfes bzw. Gelenklagers in der Praxis überprüfen. Es obliegt dem Anwender, die für die konkrete Anwendung sinnvollen Sicherheitsfaktoren und Wartungsintervalle zu definieren.

Service:

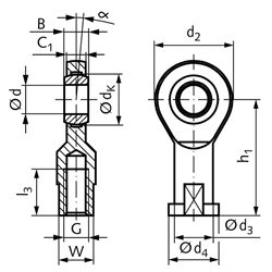
Katalogseite

Zusätzliche Informationen



Die angebotenen CAD-Daten, Abbildungen und technischen Zeichnungen werden mit größtmöglicher Sorgfalt erstellt.
Dennoch kann keine Gewährleistung für die Fehlerfreiheit und Genauigkeit dieser Daten übernommen werden.

( freibleibend aus Lagervorrat / kurzfristig lieferbar / Lieferzeit nach Vereinbarung. Bitte fragen Sie nach. )
Artikel Menge Gewinde-Ausführungd
[mm]
B
[mm]
C1
[mm]
d2
[mm]
d3
[mm]
d4
[mm]
dK
[mm]
h1
[mm]
l3
[mm]
Gewindegröße G
[mm]
Gewindesteigung
[mm]
W
[mm]
Kippwinkel Alpha
[Grad]
Gewicht
[g]
63410600
rechts664,4201013103012M61,0111321
63410800
rechts8862412,516133616M81,25141538
63411000
rechts1097281519164320M101,5171260
63411200
rechts121083417,522185022M121,75191196
63411500
rechts151210402126226129M142,0228180
63411600
rechts161411462430256733M162,02710220
63411700
rechts171411462430256733M162,02710220
63412000
rechts2016135327,535297738M20x1,51,5329350
63412500
rechts2520176433,54235,59448M24x22,0367640
63413000
rechts30221973405040,711056M30x22,0416930
63413500
rechts3525218247584712560M36x33,05061300
63414000
rechts4028239252655314265M39x33,05572000
63414500
rechts45322710258706014565M42x33,06072500
63415000
rechts50353011262756616068M45x33,06563500
63416000
rechts60443813570888017570M52x33,07565550
63417000
rechts70494216080989220080M56x44,08568600
63418000
rechts8055471809511010523585M64x44,0100612000
63430600
links664,4201013103012M61,0111321
63430800
links8862412,516133616M81,25141538
63431000
links1097281519164320M101,5171260
63431200
links121083417,522185022M121,75191196
63431500
links151210402126226129M142,0228180
63431600
links161411462430256733M162,02710220
63431700
links171411462430256733M162,02710220
63432000
links2016135327,535297738M20x1,51,5329350
63432500
links2520176433,54235,59448M24x22,0367640
63433000
links30221973405040,711056M30x22,0416930
63433500
links3525218247584712560M36x33,05061300
63434000
links4028239252655314265M39x33,05572000
63434500
links45322710258706014565M42x33,06072500
63435000
links50353011262756616068M45x33,06563500
63436000
links60443813570888017570M52x33,07565550
63437000
links70494216080989220080M56x44,08568600
63438000
links8055471809511010523585M64x44,0100612000


zur Gruppe


Impressum AGB Hilfe Datenschutzerklärung Index


MÄDLER on Facebook Facebook MÄDLER on Youtube YouTube MÄDLER on Twitter Twitter MÄDLER on Instagram Instagram MÄDLER on Xingk Xing MÄDLER on Linkedin LinkedIn