Werkstoff: Gelenkkugel und Lagerschale aus Wälzlagerstahl 100Cr6, gehärtet, geschliffen, phosphatiert, molybdändisulfidbehandelt.
Lagerschale gesprengt.

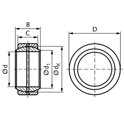
  • DIN ISO 12240-1 (DIN 648) Reihe E (schmale Form).
  • Nachschmierbar (ab Größe 15mm über Schmierbohrung).
  • Vor Inbetriebnahme ist eine Erstschmierung erforderlich!
  • Für Einsatz bei hohen, wechselseitigen Belastungen.
  • Gleitgeschwindigkeit bis 60 m/min.

Hinweis: Die spezifischen Einsatzbedingungen und die Einbausituation von Gelenkköpfen und Gelenklagern variieren in der Praxis sehr stark und lassen sich daher durch einen Hersteller in einem Katalog nicht verallgemeinern. In allen Fällen muss der Anwender die bei der Auswahl zu Grunde gelegten theoretischen Parameter mit den tatsächlich in der Praxis vorliegenden Einsatzbedingungen abgleichen und die Eignung des Gelenkkopfes bzw. Gelenklagers in der Praxis überprüfen. Es obliegt dem Anwender, die für die konkrete Anwendung sinnvollen Sicherheitsfaktoren und Wartungsintervalle zu definieren.

Service:

Katalogseite

Zusätzliche Informationen



Die angebotenen CAD-Daten, Abbildungen und technischen Zeichnungen werden mit größtmöglicher Sorgfalt erstellt.
Dennoch kann keine Gewährleistung für die Fehlerfreiheit und Genauigkeit dieser Daten übernommen werden.

( freibleibend aus Lagervorrat / kurzfristig lieferbar / Lieferzeit nach Vereinbarung. Bitte fragen Sie nach. )
Artikel Menge d
[mm]
B
[mm]
C
[mm]
D
[mm]
d1
[mm]
dK
[mm]
Kippwinkel Alpha
[Grad]
Gewicht
[g]
63360600
66414810134
63360800
8851610,013157
63361000
10961913,2161211
63361200
121072214,9181116
63361500
151292618,422826
63361600
1614103020,7251040
63361700
1714103020,7251040
63362000
2016123524,129964
63362500
2520164229,335,57115
63363000
3022184734,240,76149
63363500
3525205539,7476228
63364000
4028226245,0537318
63364500
4532256850,7607421
63365000
5035287555,9666532
63366000
6044369066,88061030
63367000
70494010577,89261570
63368000
80554512089,410562320


zur Gruppe


Impressum AGB Hilfe Datenschutzerklärung Index


MÄDLER on Facebook Facebook MÄDLER on Youtube YouTube MÄDLER on Twitter Twitter MÄDLER on Instagram Instagram MÄDLER on Xingk Xing MÄDLER on Linkedin LinkedIn