Werkstoff: Edelstahl 1.4305 (V2A), Schrauben Edelstahl A2-70.

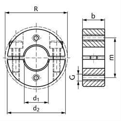
Ausführung GA: Mit zwei axialen Befestigungs-Gewindebohrungen.

Das Gewinde der Klemmschraube DIN 912 ist mit einer Polyamidschicht überzogen.
Breitentoleranz b: +0,08 mm / -0,25 mm. Temperaturbereich: -40ºC bis +175ºC.

Merkmale: Beschädigen nicht die Welle, größere Haltekräfte als Stellringe, gleichmäßige Verteilung der Klemmkräfte, einfache Neujustierung, absolut präzise Bohrungen.


Service:

Katalogseite



Die angebotenen CAD-Daten, Abbildungen und technischen Zeichnungen werden mit größtmöglicher Sorgfalt erstellt.
Dennoch kann keine Gewährleistung für die Fehlerfreiheit und Genauigkeit dieser Daten übernommen werden.

( freibleibend aus Lagervorrat / kurzfristig lieferbar / Lieferzeit nach Vereinbarung. Bitte fragen Sie nach. )
Artikel Menge Ø d1
[mm]
Ø d2
[mm]
Ø Rmax.
[mm]
b
[mm]
Schrauben
DIN 912
m
[mm]
G
[mm]
Gewicht
[g]
62399410GA
1028-9M3 x 1019M335
62399412GA
123031,811M4 x 1221M445
62399414GA
143233,911M4 x 1423M450
62399415GA
153639,413M5 x 1625,5M576
62399416GA
163839,413M5 x 1627M585
62399418GA
184041,213M5 x 1629M592
62399420GA
204246,415M6 x 1631M5111
62399422GA
224648,115M6 x 1634M6134
62399425GA
254850,815M6 x 1636,5M6141
62399428GA
2854-15M6 x 1641M6179
62399430GA
305658,615M6 x 1843M6186
62399432GA
325858,615M6 x 1845M6197
62399435GA
356061,615M6 x 1847,5M6199
62399438GA
3866-15M6 x 1852M6239
62399440GA
4066-15M6 x 1853M6 237
62399445GA
457679,419M8 x 2560,5M8400
62399450GA
508284,219M8 x 2566M8449


zur Gruppe


Impressum AGB Hilfe Datenschutzerklärung Index


MÄDLER on Facebook Facebook MÄDLER on Youtube YouTube MÄDLER on Twitter Twitter MÄDLER on Instagram Instagram MÄDLER on Xingk Xing MÄDLER on Linkedin LinkedIn