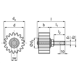
Werkstoff: Zahnrad: offenzelliger PU-Schaum mit Haftöl (H1-Zulassung) vorbeölt. Achse: Edelstahl. Gleitlagerung.
Modulverzahnung nach DIN 867. Nicht zur Drehmomentübertragung. Wahlweise kann eine Zahnstange oder ein Zahnrad geschmiert werden. Vorzugsweise erfolgt der Anbau am Antriebszahnrad. Der Schaumstoff speichert den Schmierstoff und gibt ihn in kleinsten Dosiermengen wieder ab. Die Schmierstoffversorgung kann automatisch oder manuell, z.B. mit einer Fettpresse, erfolgen.
Temperaturbereich: -10°C bis +80°C.
Service:
Katalogseite
Betriebs / Wartungsanleitung
Die angebotenen CAD-Daten, Abbildungen und technischen Zeichnungen werden mit größtmöglicher Sorgfalt erstellt.
Dennoch kann keine Gewährleistung für die Fehlerfreiheit und Genauigkeit dieser Daten übernommen werden.
Lieferzeit nach Vereinbarung. Bitte fragen Sie nach. )