Werkstoff: Stahl 42CrMo4, brüniert.

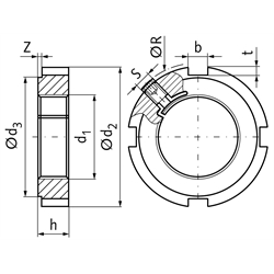
Wiederverwendbare Nutmutter wie DIN 1804, jedoch mit integrierter Sicherung. Das Klemmstück, das mit dem Gewindeprofil versehen ist, verursacht keine Beschädigung.
Es wird mittels Gewindestift auf das Wellengewinde gepresst und sichert die Mutter gegen Verdrehung. Ein Sicherungsblech und eine Wellennut sind somit nicht erforderlich. Die abgesetzte Planfläche d3 ist als Anlagefläche vorzusehen.

* ISO 4028 mit kurzem Zapfen.

Service:

Katalogseite



Die angebotenen CAD-Daten, Abbildungen und technischen Zeichnungen werden mit größtmöglicher Sorgfalt erstellt.
Dennoch kann keine Gewährleistung für die Fehlerfreiheit und Genauigkeit dieser Daten übernommen werden.

( freibleibend aus Lagervorrat / kurzfristig lieferbar / Lieferzeit nach Vereinbarung. Bitte fragen Sie nach. )
Artikel Menge Gewinde d1d2
[mm]
d3
[mm]
R
[mm]
h h14
[mm]
b
[mm]
t
[mm]
z
[mm]
Anzahl der NutenS
[ISO 4028]
Gewicht
[g]
65261200K
M12 x 1,5282330,56520,54M4 x 820
65261400K
M14 x 1,5302532,57520,54M4 x 826
65261600K
M16 x 1,5322734,57520,54M5 x 830
65261800K
M18 x 1,5342836,5862,50,54M5 x 836
65262000K
M20 x 1,5363038,5862,50,54M5 x 840
65262200K
M22 x 1,5403440,5962,50,54M5 x 854
65262400K
M24 x 1,5423642,5962,50,54M5 x 860
65262800K
M28 x 1,5504350,510730,54M5 x1096
65263000K
M30 x 1,5504352,510730,54M5 x1088
65263200K
M32 x 1,5524554,511730,54M6 x10103
65263500K
M35 x 1,5554857,511730,54M6 x10112
65263800K
M38 x 1,5585060,51183,50,54M6 x10117
65264000K
M40 x 1,5625462,51283,50,54M8 x10*150
65264200K
M42 x 1,5625464,51283,50,54M8 x10140
65264500K
M45 x 1,56860681283,50,56M8 x10172
65264800K
M48 x 1,57567751383,50,56M8 x10240
65265000K
M50 x 1,57567751383,50,56M8 x10226
65265200K
M52 x 1,5807080131040,56M8 x10261
65265500K
M55 x 1,5807080131040,56M8 x10238
65266000K
M60 x 1,5908090131040,56M8 x12324
65266500K
M65 x 1,5958595141040,56M8 x12374
65266800K
M68 x 1,510090100141040,56M8 x12422
65268000K
M80 x 21151051151610416M10 x16547


zur Gruppe


Impressum AGB Hilfe Datenschutzerklärung Index


MÄDLER on Facebook Facebook MÄDLER on Youtube YouTube MÄDLER on Twitter Twitter MÄDLER on Instagram Instagram MÄDLER on Xingk Xing MÄDLER on Linkedin LinkedIn